• Звоните

    +375 29 173 34 33

  • Пишите

    infoappm@yandex.ru

  • Приходите

    Молодечно, ул. Металлистов 2В. Здание ОАО Отделочник 198

КОРПУСНОЙ ПОДШИПНИК UCT202 (TU15,NFB202,RTUEY15)

КОРПУСНОЙ ПОДШИПНИК UCT202 (TU15,NFB202,RTUEY15)

Артикул - UCT202

КОРПУСНОЙ ПОДШИПНИК UCT202

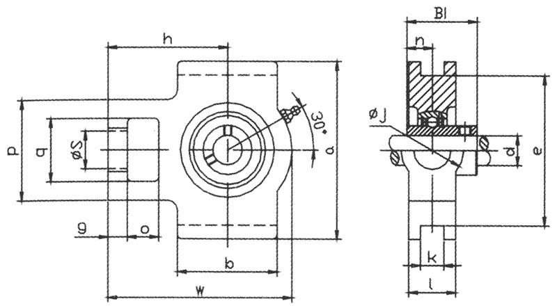
Размеры и параметры корпуса T 204 и корпусного подшипника UC 202 аналог TU..(SKF), RTUEY..(INA), LET(FKL).

Внутренний диаметр (диаметр вала) — 15 мм;

Наружный диаметр подшипника — 47 мм;

Ширина подшипника (B1) — 31 мм;

Длина корпуса (L) — 94 мм;

Ширина корпуса (H) — 89 мм;

Отверстие (N1 x N2) — 32?16 мм;

Динамическая нагрузка — 12,16 kН;

Статическая нагрузка — 6,31 kН;

Масса — 0,81 кг.

Подшипники типа UCT используют в сельскохозяйственных машинах, оборудовании, транспортерах, станках. Подшипники типа UCT являются очень подходящими для установки в труднодоступных местах.

Корпуса обычно изготавливаются из прочного серого чугуна (именно такие распространены повсеместно), реже, для специфических условий эксплуатации, из пластика, прессованного металла, нержавеющей стали, каучука, других материалов. Сам корпусной подшипник имеет сферическое шлифованное наружное кольцо и легко устанавливается в гнездо корпуса (является самоцентрирующимся), при необходимости возможна быстрая замена выработавшего ресурс шарикоподшипника без демонтажа непосредственно корпуса. На вал подшипниковый узел крепится стопорным винтом (у других серий применяются закрепительные втулки и эксцентриковые кольца), при монтаже обычно оставляют небольшой зазор. Изделие широко используется в самых разных отраслях промышленности — на поточных линиях, конвейерах и подобном оборудовании, часто расход их на ремонт одного изделия составляет сразу несколько десятков.

В подшипнике используется консистентная смазка, подаваемая в его полость через вертикальную масленку, желательно при работе подшипника, часто располагающуюся под небольшим углом (45 градусов) относительно оси или прямо по центру (как на рисунке), закрываемую по необходимости пластиковым колпачком.

ХАРАКТЕРИСТИКИ
ОСНОВНЫЕ АТРИБУТЫ
Производитель  Craft
Страна производитель Литва
Тип подшипника качения Шариковый
Вид нагрузки Радиальная
Материал изделия Сталь
Форма тела качения Шарик
Число рядов тел качения 1 (шт.)
Вес 0.81 (кг)
ГАБАРИТНЫЕ РАЗМЕРЫ
Внутренний диаметр 15.0 (мм)
Наружный диаметр 94.0 (мм)
Высота 51.0 (мм)
ДОПОЛНИТЕЛЬНЫЕ ХАРАКТЕРИСТИКИ
Сепаратор Да
Тип сепаратора Штампованный
Материал сепаратора Углеродистая сталь

 

Современные логистические подходы в организации поставок позволяют нам оперативно реагировать на потребности наших клиентов, предоставляя при этом гарантированное качество нашей продукции.

Срочно нужен подшипник? Мы готовы помочь!

Звоните

+375 29 173 34 33

8 0176 5-00-266

8 0176 5-00_268 (факс)

8 044 76-38-788